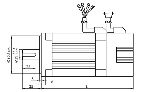
| 電機型號 | L(mm) |
| 80ST-□006XX | 144 |
| 80ST-□013XX | 150 |
| 80ST-□024XX | 170 |
| 80ST-□006XXB | 188 |
| 80ST-□013XXB | 194 |
| 80ST-□024XXB | 214 |
注:電機接口、電壓、轉速可按客戶要求定制

| AC220V | |||
| 電機型號 | 80ST-口00630 | 80ST-口01330 | 80ST-口02430 |
| 額定功率(KW) | 0.2 | 0.4 | 0.75 |
| 額定電流(A) | 0.8 | 1.6 | 3.0 |
| 額定轉速(rpm) | 3000 | 3000 | 3000 |
| 轉速高至(rpm) | 3600 | 3600 | 3600 |
| 額定扭矩(Nm) | 0.6 | 1.3 | 2.4 |
| 峰值扭矩(Nm) | 1.8 | 3.9 | 7.2 |
| 轉子慣量(kg.cm2) | 0.3 | 0.6 | 0.9 |
| 機械時間常數(ms) | 6 | 7 | 9 |
注:電機接口、電壓、轉速可按客戶要求定制

| 代號說明 | ||
| ① | 機座號、電機外徑 | 單位:mm |
| ② | 伺服電機形式 | ST表示電機為正弦波驅動的永磁同步電機 |
| ③ | 反饋元件規格 | M表示增量型編碼器(2500C/T),J表示絕對值型高精度編碼器,X表示1對極旋轉變壓器 |
| ④ | 額定轉矩 | 表示電機額定轉矩,其值為三位X0.1單位Nm |
| ⑤ | 額定轉速 | 表示電機額定轉速,其值為兩位X100單位rpm |
| ⑥ | 失電制動器代號 | F表示電機結構為防水型(玻璃機械專用),缺省表示普通型 B表示帶失電制動器,缺省表示不帶失電制動器 Y表示接線型,缺省表示普通型 |
| ⑦ | 電壓等級 | 表示電機額定電壓,包括DC24V、DC48V、DC72V、DC96V、AC380V,缺省表示AC220V |
| ⑧ | 定制特征 | 客戶定制代號 |
服務熱線
微信掃一掃